Опоры серия 5.903-13 выпуск 8-95
Описание
Опоры, произведенные по серии 5.903-13 выпуск 8-95, являются подвижными и предназначены для фиксации трубопровода в стационарном положении относительно угловых, вертикальных (поперечных) перемещений при этом не препятствуют горизонтальным (продольным) перемещениям, вызванных чаще всего тепловым расширением. В 1997 году данная серия пришла на замену устаревшей серии 4.903-10 выпуск 5.
Назначение
Настоящий стандарт распространяется на стальные подвижные опоры тепловых сетей условных диаметров от 25 до 1400 мм, транспортирующих рабочую среду под давлением до 40 МПа и температурой не более 425 градусов Цельсия, а также на опоры сварных отводов тепловых сетей диметром от 108 до 1420 мм, транспортирующих рабочую среду с температурой не более 115 градусов Цельсия.
Преимущество изделий
Опоры стальных трубопроводов обладают следующими преимуществами:
Полная готовность к эксплуатации.
Необходимы минимальные трудозатраты в монтаже.
Очень высокое эксплуатационное время.
Производство работ по монтажу опор не имеет температурного ограничения.
Качество готовых стальных опор позволяет использовать их многократно.
Конструкция
Конструкции подвижных опор, произведенных на основании серии 5.903-13, приведены в следующих чертежах. Все обозначения и величины соответствуют обозначениям и величинам в данной серии.

Рисунок 1. Чертеж опоры скользящей приварной ТС 623.000

Рисунок 2. Чертеж опоры скользящей приварной ТС 624.000

Рисунок 3. Чертеж опоры скользящей с плоским хомутом ТС 625.000

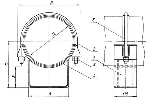
Рисунок 4. Опора скользящая хомутовая ТС 626.00.000

Рисунок 5. Опора скользящая бугельная ТС 627.00.000

Рисунок 6. Опора катковая двухъярусная ТС 628.00.000.

Рисунок 7. Опора катковая ТС 630.00.000

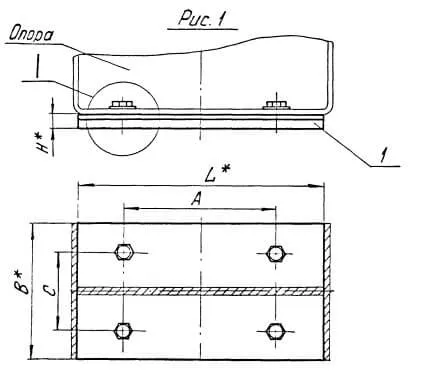
Рисунок 8. Опора сварных отводов ТС 631.000

Рисунок 9. Плита опорная диэлектрическая ТС 632.00.000
Разновидность
Разновидность неподвижных опор, произведенных на основании серии 5.903-13:
Опора скользящая приварная ТС 623.000
Опора скользящая приварная ТС 624.000
Опора скользящая с плоским хомутом ТС 625.000
Опора скользящая хомутовая ТС 626.00.000
Опора скользящая бугельная ТС 627.00.000
Опора катковая двухъярусная ТС 628.00.000
Опора катковая ТС 630.00.000
Опора сварного отвода ТС 631.00.000
Плита опорная диэлектрическая ТС 632.00.000
Ниже приведены схематичные рисунки данных опор.

Рисунок 10. Опора ТС 623.000

Рисунок 11. Опора ТС 624.000.000-026 для диаметров 194-630 мм

Рисунок 12. Опора ТС 624.000.027-071 для диаметров 194-1420 мм

Рисунок 13. Опора ТС 624.000.072-116 для диаметров 194-1420 мм

Рисунок 14. Опора ТС 625.000

Рисунок 15. Опора ТС 626.00.000.000-035 для диаметров 108-630 мм

Рисунок 16. Опора ТС 626.00.000.036-080 для диаметров 194-1420 мм

Рисунок 17. Опора ТС 626.00.000.081-125 для диаметров 194-1420 мм.

Рисунок 18. Опора ТС 627.00.000.00-14 для диаметров 377-630 мм

Рисунок 19. Опора ТС 627.00.000.15-47 для диаметров 377-1420 мм

Рисунок 20. Опора ТС 627.00.000.48-80 для диаметров 377-1420 мм

Рисунок 21. Опора ТС 628.00.000

Рисунок 22. Опора ТС 630.00.000

Рисунок 23. Опора ТС 631.00.000

Рисунок 24. Опора ТС 632.00.000
Размеры
Размеры подвижных опор, произведенных на основании серии 5.903-13, приведены в нижеперечисленных таблицах. Все размеры в миллиметрах. Обозначения размеров опор соответствуют чертежам, указанных в разделе конструкция настоящей статьи или в соответствующей серии.
| Обозначение | Dн трубопровода | H | H1 | B | L |
| ТС-623.000.00 | 32, 38, 45 | 100 | 104 | 50 | 170 |
| ТС-623.000.01 | 150 | 154 | |||
| ТС-623.000.02 | 200 | 204 | |||
| ТС-623.000.03 | 57, 76 | 100 | 108 | 70 | |
| ТС-623.000.04 | 150 | 158 | |||
| ТС-623.000.05 | 200 | 208 | |||
| ТС-623.000.06 | 89, 108 | 100 | 113 | 90 | |
| ТС-623.000.07 | 150 | 163 | |||
| ТС-623.000.08 | 200 | 213 | |||
| ТС-623.000.09 | 133, 159 | 100 | 118 | 120 | |
| ТС-623.000.10 | 150 | 168 | |||
| ТС-623.000.11 | 200 | 218 | |||
| ТС-623.000.12 | 32, 38, 45 | 100 | 104 | 50 | 340 |
| ТС-623.000.13 | 150 | 154 | |||
| ТС-623.000.14 | 200 | 204 | |||
| ТС-623.000.15 | 57, 76 | 100 | 108 | 70 | |
| ТС-623.000.16 | 150 | 158 | |||
| ТС-623.000.17 | 200 | 208 | |||
| ТС-623.000.18 | 89, 108 | 100 | 113 | 90 | |
| ТС-623.000.19 | 150 | 163 | |||
| ТС-623.000.20 | 200 | 213 | |||
| ТС-623.000.21 | 133, 159 | 100 | 118 | 120 | |
| ТС-623.000.22 | 150 | 168 | |||
| ТС-623.000.23 | 200 | 218 |
Таблица 1. Размеры опор ТС 623.000
| Обозначение | Dн трубопровода | Н | Н1 | В | l | L | S |
| ТС-624.000.000 | 194 | 100 | 148 | 180 | 25 | 170 | 4 |
| ТС-624.000.001 | 150 | 198 | |||||
| ТС-624.000.002 | 200 | 248 | |||||
| ТС-624.000.003 | 219 | 100 | 136 | 30 | |||
| ТС-624.000.004 | 150 | 186 | |||||
| ТС-624.000.005 | 200 | 236 | |||||
| ТС-624.000.006 | 273 | 100 | 126 | ||||
| ТС-624.000.007 | 150 | 176 | |||||
| ТС-624.000.008 | 200 | 226 | |||||
| ТС-624.000.009 | 325 | 100 | 165 | 280 | |||
| ТС-624.000.010 | 150 | 216 | |||||
| ТС-624.000.011 | 200 | 265 | |||||
| ТС-624.000.012 | 377 | 100 | 152 | ||||
| ТС-624.000.013 | 150 | 202 | |||||
| ТС-624.000.014 | 200 | 252 | |||||
| ТС-624.000.015 | 426 | 100 | 142 | 50 | |||
| ТС-624.000.016 | 150 | 192 | |||||
| ТС-624.000.017 | 200 | 242 | |||||
| ТС-624.000.018 | 480 | 100 | 174 | 380 | 6 | ||
| ТС-624.000.019 | 150 | 224 | |||||
| ТС-624.000.020 | 200 | 274 | |||||
| ТС-624.000.021 | 530 | 100 | 164 | ||||
| ТС-624.000.022 | 150 | 214 | |||||
| ТС-624.000.023 | 200 | 264 | |||||
| ТС-624.000.024 | 630 | 100 | 150 | ||||
| ТС-624.000.025 | 150 | 200 | |||||
| ТС-624.000.026 | 200 | 250 | |||||
| ТС-624.000.027 | 194 | 100 | 148 | 180 | 340 | 4 | |
| ТС-624.000.028 | 150 | 198 | |||||
| ТС-624.000.029 | 200 | 248 | |||||
| ТС-624.000.030 | 219 | 100 | 136 | ||||
| ТС-624.000.031 | 150 | 186 | |||||
| ТС-624.000.032 | 200 | 236 | |||||
| ТС-624.000.033 | 273 | 100 | 126 | ||||
| ТС-624.000.034 | 150 | 176 | |||||
| ТС-624.000.035 | 200 | 226 | |||||
| ТС-624.000.036 | 325 | 100 | 165 | 280 | |||
| ТС-624.000.037 | 150 | 216 | |||||
| ТС-624.000.038 | 200 | 265 | |||||
| ТС-624.000.039 | 377 | 100 | 152 | ||||
| ТС-624.000.040 | 150 | 202 | |||||
| ТС-624.000.041 | 200 | 252 | |||||
| ТС-624.000.042 | 426 | 100 | 142 | 70 | |||
| ТС-624.000.043 | 150 | 192 | |||||
| ТС-624.000.044 | 200 | 242 | |||||
| ТС-624.000.045 | 480 | 100 | 174 | 380 | 6 | ||
| ТС-624.000.046 | 150 | 224 | |||||
| ТС-624.000.047 | 200 | 274 | |||||
| ТС-624.000.048 | 530 | 100 | 164 | ||||
| ТС-624.000.049 | 150 | 214 | |||||
| ТС-624.000.050 | 200 | 264 | |||||
| ТС-624.000.051 | 630 | 100 | 150 | ||||
| ТС-624.000.052 | 150 | 200 | |||||
| ТС-624.000.053 | 200 | 250 | |||||
| ТС-624.000.054 | 720 | 100 | 185 | 500 | 100 | 8 | |
| ТС-624.000.055 | 150 | 235 | |||||
| ТС-624.000.056 | 200 | 285 | |||||
| ТС-624.000.057 | 820 | 100 | 172 | ||||
| ТС-624.000.058 | 150 | 222 | |||||
| ТС-624.000.059 | 200 | 272 | |||||
| ТС-624.000.060 | 920 | 100 | 158 | ||||
| ТС-624.000.061 | 150 | 208 | |||||
| ТС-624.000.062 | 200 | 258 | |||||
| ТС-624.000.063 | 1020 | 100 | 218 | 700 | 10 | ||
| ТС-624.000.064 | 150 | 268 | |||||
| ТС-624.000.065 | 200 | 318 | |||||
| ТС-624.000.066 | 1220 | 100 | 195 | ||||
| ТС-624.000.067 | 150 | 245 | |||||
| ТС-624.000.068 | 200 | 295 | |||||
| ТС-624.000.069 | 1420 | 100 | 172 | ||||
| ТС-624.000.070 | 150 | 222 | |||||
| ТС-624.000.071 | 200 | 272 | |||||
| ТС-624.000.072 | 194 | 100 | 148 | 180 | 70 | 680 | 4 |
| ТС-624.000.073 | 150 | 198 | |||||
| ТС-624.000.074 | 200 | 248 | |||||
| ТС-624.000.075 | 219 | 100 | 136 | 80 | |||
| ТС-624.000.076 | 150 | 186 | |||||
| ТС-624.000.077 | 200 | 236 | |||||
| ТС-624.000.078 | 273 | 100 | 126 | ||||
| ТС-624.000.079 | 150 | 176 | |||||
| ТС-624.000.080 | 200 | 226 | |||||
| ТС-624.000.081 | 325 | 100 | 165 | 280 | |||
| ТС-624.000.082 | 150 | 216 | |||||
| ТС-624.000.083 | 200 | 265 | |||||
| ТС-624.000.084 | 377 | 100 | 152 | ||||
| ТС-624.000.085 | 150 | 202 | |||||
| ТС-624.000.086 | 200 | 252 | |||||
| ТС-624.000.087 | 426 | 100 | 142 | ||||
| ТС-624.000.088 | 150 | 192 | |||||
| ТС-624.000.089 | 200 | 242 | |||||
| ТС-624.000.090 | 480 | 100 | 174 | 380 | 95 | 6 | |
| ТС-624.000.091 | 150 | 224 | |||||
| ТС-624.000.092 | 200 | 274 | |||||
| ТС-624.000.093 | 530 | 100 | 164 | ||||
| ТС-624.000.094 | 150 | 214 | |||||
| ТС-624.000.095 | 200 | 264 | |||||
| ТС-624.000.096 | 630 | 100 | 150 | ||||
| ТС-624.000.097 | 150 | 200 | |||||
| ТС-624.000.098 | 200 | 250 | |||||
| ТС-624.000.099 | 720 | 100 | 185 | 500 | 120 | 8 | |
| ТС-624.000.100 | 150 | 235 | |||||
| ТС-624.000.101 | 200 | 285 | |||||
| ТС-624.000.102 | 820 | 100 | 172 | ||||
| ТС-624.000.103 | 150 | 222 | |||||
| ТС-624.000.104 | 200 | 272 | |||||
| ТС-624.000.105 | 920 | 100 | 158 | ||||
| ТС-624.000.106 | 150 | 208 | |||||
| ТС-624.000.107 | 200 | 258 | |||||
| ТС-624.000.108 | 1020 | 100 | 218 | 700 | 10 | ||
| ТС-624.000.109 | 150 | 268 | |||||
| ТС-624.000.110 | 200 | 318 | |||||
| ТС-624.000.111 | 1220 | 100 | 195 | ||||
| ТС-624.000.112 | 150 | 245 | 150 | ||||
| ТС-624.000.113 | 200 | 295 | |||||
| ТС-624.000.114 | 1420 | 100 | 172 | ||||
| ТС-624.000.115 | 150 | 222 | |||||
| ТС-624.000.116 | 200 | 272 |
Таблица 2. Размеры опор ТС 624.000
| Обозначение | Dн трубопровода | В | В1 | L | l | H | A | h |
| ТС-625.000.00 | 32 | 40 | 95 | 80 | 50 | 113 | 70 | 100 |
| ТС-625.000.01 | 38 | 100 | 117 | 76 | ||||
| ТС-625.000.02 | 45 | 110 | 122 | 84 | ||||
| ТС-625.000.03 | 57 | 60 | 130 | 100 | 60 | 126 | 96 | |
| ТС-625.000.04 | 76 | 150 | 140 | 116 | ||||
| ТС-625.000.05 | 89 | 170 | 148 | 130 |
Таблица 3. Размеры опор ТС 625.000
| Обозначение | Dн трубопровода | H | H1 | B | B1 |
| ТС-626.00.000.000 | 108 | 100 | 160 | 90 | 170 |
| ТС-626.00.000.001 | 150 | 210 | |||
| ТС-626.00.000.002 | 200 | 270 | |||
| ТС-626.00.000.003 | 133 | 100 | 167 | 110 | 190 |
| ТС-626.00.000.004 | 150 | 217 | |||
| ТС-626.00.000.005 | 200 | 267 | |||
| ТС-626.00.000.006 | 159 | 100 | 180 | 140 | 222 |
| ТС-626.00.000.007 | 150 | 230 | |||
| ТС-626.00.000.008 | 200 | 280 | |||
| ТС-626.00.000.009 | 194 | 100 | 200 | 180 | 232 |
| ТС-626.00.000.010 | 150 | 250 | |||
| ТС-626.00.000.011 | 200 | 300 | |||
| ТС-626.00.000.012 | 219 | 100 | 215 | 305 | |
| ТС-626.00.000.013 | 150 | 265 | |||
| ТС-626.00.000.014 | 200 | 315 | |||
| ТС-626.00.000.015 | 273 | 100 | 240 | 355 | |
| ТС-626.00.000.016 | 150 | 290 | |||
| ТС-626.00.000.017 | 200 | 340 | |||
| ТС-626.00.000.018 | 325 | 100 | 266 | 280 | 400 |
| ТС-626.00.000.019 | 150 | 316 | |||
| ТС-626.00.000.020 | 200 | 366 | |||
| ТС-626.00.000.021 | 377 | 100 | 292 | 475 | |
| ТС-626.00.000.022 | 150 | 342 | |||
| ТС-626.00.000.023 | 200 | 392 | |||
| ТС-626.00.000.024 | 426 | 100 | 318 | 520 | |
| ТС-626.00.000.025 | 150 | 368 | |||
| ТС-626.00.000.026 | 200 | 418 | |||
| ТС-626.00.000.027 | 480 | 100 | 345 | 380 | 565 |
| ТС-626.00.000.028 | 150 | 395 | |||
| ТС-626.00.000.029 | 200 | 445 | |||
| ТС-626.00.000.030 | 530 | 100 | 370 | 620 | |
| ТС-626.00.000.031 | 150 | 420 | |||
| ТС-626.00.000.032 | 200 | 470 | |||
| ТС-626.00.000.033 | 630 | 100 | 420 | 735 | |
| ТС-626.00.000.034 | 150 | 470 | |||
| ТС-626.00.000.035 | 200 | 520 | |||
| ТС-626.00.000.036 | 194 | 100 | 200 | 180 | 232 |
| ТС-626.00.000.037 | 150 | 250 | |||
| ТС-626.00.000.038 | 200 | 300 | |||
| ТС-626.00.000.039 | 219 | 100 | 215 | 305 | |
| ТС-626.00.000.040 | 150 | 265 | |||
| ТС-626.00.000.041 | 200 | 315 | |||
| ТС-626.00.000.042 | 273 | 100 | 240 | 355 | |
| ТС-626.00.000.043 | 150 | 290 | |||
| ТС-626.00.000.044 | 200 | 340 | |||
| ТС-626.00.000.045 | 325 | 100 | 266 | 280 | 400 |
| ТС-626.00.000.046 | 150 | 316 | |||
| ТС-626.00.000.047 | 200 | 366 | |||
| ТС-626.00.000.048 | 377 | 100 | 292 | 475 | |
| ТС-626.00.000.049 | 150 | 342 | |||
| ТС-626.00.000.050 | 200 | 392 | |||
| ТС-626.00.000.051 | 426 | 100 | 318 | 520 | |
| ТС-626.00.000.052 | 150 | 368 | |||
| ТС-626.00.000.053 | 200 | 418 | |||
| ТС-626.00.000.054 | 480 | 100 | 345 | 380 | 565 |
| ТС-626.00.000.055 | 150 | 395 | |||
| ТС-626.00.000.056 | 200 | 445 | |||
| ТС-626.00.000.057 | 530 | 100 | 370 | 620 | |
| ТС-626.00.000.058 | 150 | 420 | |||
| ТС-626.00.000.059 | 200 | 470 | |||
| ТС-626.00.000.060 | 630 | 100 | 420 | 735 | |
| ТС-626.00.000.061 | 150 | 470 | |||
| ТС-626.00.000.062 | 200 | 520 | |||
| ТС-626.00.000.063 | 720 | 100 | 465 | 500 | 835 |
| ТС-626.00.000.064 | 150 | 515 | |||
| ТС-626.00.000.065 | 200 | 565 | |||
| ТС-626.00.000.066 | 820 | 100 | 515 | 925 | |
| ТС-626.00.000.067 | 150 | 565 | |||
| ТС-626.00.000.068 | 200 | 615 | |||
| ТС-626.00.000.069 | 920 | 100 | 565 | 1035 | |
| ТС-626.00.000.070 | 150 | 615 | |||
| ТС-626.00.000.071 | 200 | 665 | |||
| ТС-626.00.000.072 | 1020 | 100 | 615 | 700 | 1145 |
| ТС-626.00.000.073 | 150 | 665 | |||
| ТС-626.00.000.074 | 200 | 715 | |||
| ТС-626.00.000.075 | 1220 | 100 | 715 | 1360 | |
| ТС-626.00.000.076 | 150 | 765 | |||
| ТС-626.00.000.077 | 200 | 815 | |||
| ТС-626.00.000.078 | 1420 | 100 | 815 | 1575 | |
| ТС-626.00.000.079 | 150 | 865 | |||
| ТС-626.00.000.080 | 200 | 915 | |||
| ТС-626.00.000.081 | 194 | 100 | 200 | 180 | 232 |
| ТС-626.00.000.082 | 150 | 250 | |||
| ТС-626.00.000.083 | 200 | 300 | |||
| ТС-626.00.000.084 | 219 | 100 | 215 | 305 | |
| ТС-626.00.000.085 | 150 | 265 | |||
| ТС-626.00.000.086 | 200 | 315 | |||
| ТС-626.00.000.087 | 273 | 100 | 240 | 355 | |
| ТС-626.00.000.088 | 150 | 290 | |||
| ТС-626.00.000.089 | 200 | 340 | |||
| ТС-626.00.000.090 | 325 | 100 | 266 | 280 | 400 |
| ТС-626.00.000.091 | 150 | 316 | |||
| ТС-626.00.000.092 | 200 | 366 | |||
| ТС-626.00.000.093 | 377 | 100 | 292 | 475 | |
| ТС-626.00.000.094 | 150 | 342 | |||
| ТС-626.00.000.095 | 200 | 392 | |||
| ТС-626.00.000.096 | 426 | 100 | 318 | 520 | |
| ТС-626.00.000.097 | 150 | 368 | |||
| ТС-626.00.000.098 | 200 | 418 | |||
| ТС-626.00.000.099 | 480 | 100 | 345 | 380 | 565 |
| ТС-626.00.000.100 | 150 | 395 | |||
| ТС-626.00.000.101 | 200 | 445 | |||
| ТС-626.00.000.102 | 530 | 100 | 370 | 620 | |
| ТС-626.00.000.103 | 150 | 420 | |||
| ТС-626.00.000.104 | 200 | 470 | |||
| ТС-626.00.000.105 | 630 | 100 | 420 | 735 | |
| ТС-626.00.000.106 | 150 | 470 | |||
| ТС-626.00.000.107 | 200 | 520 | |||
| ТС-626.00.000.108 | 720 | 100 | 465 | 500 | 835 |
| ТС-626.00.000.109 | 150 | 515 | |||
| ТС-626.00.000.110 | 200 | 565 | |||
| ТС-626.00.000.111 | 820 | 100 | 515 | 925 | |
| ТС-626.00.000.112 | 150 | 565 | |||
| ТС-626.00.000.113 | 200 | 615 | |||
| ТС-626.00.000.114 | 920 | 100 | 565 | 1035 | |
| ТС-626.00.000.115 | 150 | 615 | |||
| ТС-626.00.000.116 | 200 | 665 | |||
| ТС-626.00.000.117 | 1020 | 100 | 615 | 700 | 1145 |
| ТС-626.00.000.118 | 150 | 665 | |||
| ТС-626.00.000.119 | 200 | 715 | |||
| ТС-626.00.000.120 | 1220 | 100 | 715 | 1360 | |
| ТС-626.00.000.121 | 150 | 765 | |||
| ТС-626.00.000.122 | 200 | 815 | |||
| ТС-626.00.000.123 | 1420 | 100 | 815 | 1575 | |
| ТС-626.00.000.124 | 150 | 865 | |||
| ТС-626.00.000.125 | 200 | 915 |
Таблица 4. Размеры опор ТС 626.00.000
| Обозначение | Dн трубопровода | H | H1 | B | B1 |
| ТС-627.00.000.000 | 377 | 100 | 292 | 280 | |
| ТС-627.00.000.001 | 150 | 342 | |||
| ТС-627.00.000.002 | 200 | 392 | |||
| ТС-627.00.000.003 | 426 | 100 | 318 | ||
| ТС-627.00.000.004 | 150 | 368 | |||
| ТС-627.00.000.005 | 200 | 418 | |||
| ТС-627.00.000.006 | 480 | 100 | 345 | 380 | |
| ТС-627.00.000.007 | 150 | 395 | |||
| ТС-627.00.000.008 | 200 | 445 | |||
| ТС-627.00.000.009 | 530 | 100 | 370 | ||
| ТС-627.00.000.010 | 150 | 420 | |||
| ТС-627.00.000.011 | 200 | 470 | |||
| ТС-627.00.000.012 | 630 | 100 | 420 | ||
| ТС-627.00.000.013 | 150 | 470 | |||
| ТС-627.00.000.014 | 200 | 520 | |||
| ТС-627.00.000.015 | 377 | 100 | 292 | 280 | |
| ТС-627.00.000.016 | 150 | 342 | |||
| ТС-627.00.000.017 | 200 | 392 | |||
| ТС-627.00.000.018 | 426 | 100 | 318 | ||
| ТС-627.00.000.019 | 150 | 368 | |||
| ТС-627.00.000.020 | 200 | 418 | |||
| ТС-627.00.000.021 | 480 | 100 | 345 | 380 | |
| ТС-627.00.000.022 | 150 | 395 | |||
| ТС-627.00.000.023 | 200 | 445 | |||
| ТС-627.00.000.024 | 530 | 100 | 370 | ||
| ТС-627.00.000.025 | 150 | 420 | |||
| ТС-627.00.000.026 | 200 | 470 | |||
| ТС-627.00.000.027 | 630 | 100 | 420 | ||
| ТС-627.00.000.028 | 150 | 470 | |||
| ТС-627.00.000.029 | 200 | 520 | |||
| ТС-627.00.000.030 | 720 | 100 | 465 | 500 | |
| ТС-627.00.000.031 | 150 | 515 | |||
| ТС-627.00.000.032 | 200 | 565 | |||
| ТС-627.00.000.033 | 820 | 100 | 515 | ||
| ТС-627.00.000.034 | 150 | 565 | |||
| ТС-627.00.000.035 | 200 | 615 | |||
| ТС-627.00.000.036 | 920 | 100 | 565 | ||
| ТС-627.00.000.037 | 150 | 615 | |||
| ТС-627.00.000.038 | 200 | 665 | |||
| ТС-627.00.000.039 | 1020 | 100 | 615 | 700 | |
| ТС-627.00.000.040 | 150 | 665 | |||
| ТС-627.00.000.041 | 200 | 715 | |||
| ТС-627.00.000.042 | 1220 | 100 | 715 | ||
| ТС-627.00.000.043 | 150 | 765 | |||
| ТС-627.00.000.044 | 200 | 815 | |||
| ТС-627.00.000.045 | 1420 | 100 | 815 | ||
| ТС-627.00.000.046 | 150 | 865 | |||
| ТС-627.00.000.047 | 200 | 915 | |||
| ТС-627.00.000.048 | 377 | 100 | 292 | 280 | |
| ТС-627.00.000.049 | 150 | 342 | |||
| ТС-627.00.000.050 | 200 | 392 | |||
| ТС-627.00.000.051 | 426 | 100 | 318 | ||
| ТС-627.00.000.052 | 150 | 368 | |||
| ТС-627.00.000.053 | 200 | 418 | |||
| ТС-627.00.000.054 | 480 | 100 | 345 | 380 | |
| ТС-627.00.000.055 | 150 | 395 | |||
| ТС-627.00.000.056 | 200 | 445 | |||
| ТС-627.00.000.057 | 530 | 100 | 370 | ||
| ТС-627.00.000.058 | 150 | 420 | |||
| ТС-627.00.000.059 | 200 | 470 | |||
| ТС-627.00.000.060 | 630 | 100 | 420 | ||
| ТС-627.00.000.061 | 150 | 470 | |||
| ТС-627.00.000.062 | 200 | 520 | |||
| ТС-627.00.000.063 | 720 | 100 | 465 | 500 | |
| ТС-627.00.000.064 | 150 | 515 | |||
| ТС-627.00.000.065 | 200 | 565 | |||
| ТС-627.00.000.066 | 820 | 100 | 515 | ||
| ТС-627.00.000.067 | 150 | 565 | |||
| ТС-627.00.000.068 | 200 | 615 | |||
| ТС-627.00.000.069 | 920 | 100 | 565 | ||
| ТС-627.00.000.070 | 150 | 615 | |||
| ТС-627.00.000.071 | 200 | 665 | |||
| ТС-627.00.000.072 | 1020 | 100 | 615 | 700 | |
| ТС-627.00.000.073 | 150 | 665 | |||
| ТС-627.00.000.074 | 200 | 715 | |||
| ТС-627.00.000.075 | 1220 | 100 | 715 | ||
| ТС-627.00.000.076 | 150 | 765 | |||
| ТС-627.00.000.077 | 200 | 815 | |||
| ТС-627.00.000.078 | 1420 | 100 | 815 | ||
| ТС-627.00.000.079 | 150 | 865 | |||
| ТС-627.00.000.080 | 200 | 915 |
Таблица 5. Размеры опор ТС 627.00.000
| Обозначение | ∆ | D | H | H1 | L | L1 | Lk | L0 | l | c | c1 | b1 | bk | b0 | a | a1 | a2 |
| ТС-628.00.000.00 | 200 | 194 | 454 | 160 | 800 | 480 | 580 | 300 | 75 | 100 | 390 | 350 | 290 | 180 | 255 | 115 | 85 |
| ТС-628.00.000.01 | 400 | 1000 | 680 | 500 | 355 | ||||||||||||
| ТС-628.00.000.02 | 200 | 219 | 479 | 800 | 480 | 300 | 255 | ||||||||||
| ТС-628.00.000.03 | 400 | 1000 | 680 | 500 | 355 | ||||||||||||
| ТС-628.00.000.04 | 200 | 273 | 533 | 800 | 480 | 300 | 255 | ||||||||||
| ТС-628.00.000.05 | 400 | 1000 | 680 | 500 | 355 | ||||||||||||
| ТС-628.00.000.06 | 200 | 325 | 635 | 210 | 1000 | 600 | 770 | 400 | 100 | 160 | 530 | 500 | 402 | 280 | 300 | 135 | 110 |
| ТС-628.00.000.07 | 400 | 1200 | 800 | 600 | 400 | ||||||||||||
| ТС-628.00.000.08 | 200 | 377 | 687 | 1000 | 600 | 400 | 300 | ||||||||||
| ТС-628.00.000.09 | 400 | 1200 | 800 | 600 | 400 | ||||||||||||
| ТС-628.00.000.10 | 200 | 426 | 736 | 1000 | 600 | 400 | 300 | ||||||||||
| ТС-628.00.000.11 | 400 | 1200 | 800 | 600 | 400 | ||||||||||||
| ТС-628.00.000.12 | 200 | 480 | 805 | 255 | 1100 | 650 | 850 | 400 | 125 | 600 | 600 | 452 | 380 | 325 | 125 | ||
| ТС-628.00.000.13 | 400 | 1300 | 850 | 600 | 425 | ||||||||||||
| ТС-628.00.000.14 | 200 | 530 | 855 | 1100 | 650 | 500 | 325 | ||||||||||
| ТС-628.00.000.15 | 400 | 1300 | 850 | 700 | 425 | ||||||||||||
| ТС-628.00.000.16 | 200 | 630 | 955 | 1100 | 650 | 500 | 325 | ||||||||||
| ТС-628.00.000.17 | 400 | 1300 | 850 | 700 | 425 | ||||||||||||
| ТС-628.00.000.18 | 200 | 720 | 1130 | 310 | 1400 | 800 | 1160 | 600 | 145 | 230 | 830 | 800 | 658 | 500 | 370 | 180 | 520 |
| ТС-628.00.000.19 | 400 | 1600 | 1000 | 800 | 470 | ||||||||||||
| ТС-628.00.000.20 | 200 | 820 | 1230 | 1400 | 800 | 600 | 370 | ||||||||||
| ТС-628.00.000.21 | 400 | 1600 | 1000 | 800 | 470 | ||||||||||||
| ТС-628.00.000.22 | 200 | 920 | 1330 | 1400 | 800 | 600 | 370 | ||||||||||
| ТС-628.00.000.23 | 400 | 1600 | 1000 | 800 | 470 | ||||||||||||
| ТС-628.00.000.24 | 200 | 1020 | 1430 | 1600 | 800 | 1380 | 600 | 1050 | 1000 | 700 | 470 | 190 | |||||
| ТС-628.00.000.25 | 400 | 1800 | 1000 | 800 | 570 | ||||||||||||
| ТС-628.00.000.26 | 200 | 1220 | 1630 | 1600 | 800 | 600 | 470 | ||||||||||
| ТС-628.00.000.27 | 400 | 1800 | 1000 | 800 | 570 | ||||||||||||
| ТС-628.00.000.28 | 200 | 1420 | 1830 | 1600 | 800 | 600 | 470 | ||||||||||
| ТС-628.00.000.29 | 400 | 1800 | 1000 | 800 | 570 |
∆ - максимальное тепловое перемещение, D – диаметр трубопровода
Таблица 6. Размеры опор ТС 628.00.000
| Обозначение | Dн трубопровода | ∆ | L | L1 | B | B1 |
| ТС-630.00.000.00 | 720 | 200 | 360 | 340 | 660 | 500 |
| ТС-630.00.000.01 | 800 | 640 | 680 | |||
| ТС-630.00.000.02 | 820 | 200 | 360 | 340 | ||
| ТС-630.00.000.03 | 800 | 640 | 680 | |||
| ТС-630.00.000.04 | 920 | 200 | 360 | 340 | ||
| ТС-630.00.000.05 | 800 | 640 | 680 | |||
| ТС-630.00.000.06 | 1020 | 200 | 360 | 340 | 860 | 700 |
| ТС-630.00.000.07 | 800 | 640 | 680 | |||
| ТС-630.00.000.08 | 1220 | 200 | 360 | 340 | ||
| ТС-630.00.000.09 | 800 | 640 | 680 | |||
| ТС-630.00.000.10 | 1420 | 200 | 360 | 340 | ||
| ТС-630.00.000.11 | 800 | 640 | 680 |
∆ - наибольшее перемещение трубопровода
Таблица 7. Размеры опор ТС 630.00.000
| Обозначение | Dн трубопровода | R | H1 | L | B | s |
| ТС-631.000.00 | 108 | 305 | 311 | 120 | 80 | 6 |
| ТС-631.000.01 | 133 | 320 | 321 | 130 | 100 | |
| ТС-631.000.02 | 159 | 330 | 336 | 140 | 110 | |
| ТС-631.000.03 | 219 | 360 | 373 | 160 | 140 | 8 |
| ТС-631.000.04 | 273 | 410 | 413 | 180 | 170 | |
| ТС-631.000.05 | 325 | 490 | 477 | 210 | 210 | 12 |
| ТС-631.000.06 | 377 | 570 | 532 | 230 | 210 | |
| ТС-631.000.07 | 426 | 640 | 596 | 270 | 250 | 16 |
| ТС-631.000.08 | 530 | 800 | 711 | 330 | 310 | |
| ТС-631.000.09 | 530 | 516 | 300 | 300 | ||
| ТС-631.000.10 | 630 | 950 | 1016 | 550 | 360 | |
| ТС-631.000.11 | 630 | 616 | 360 | 360 | ||
| ТС-631.000.12 | 720 | 1080 | 1116 | 620 | 400 | |
| ТС-631.000.13 | 720 | 666 | 400 | 400 | ||
| ТС-631.000.14 | 820 | 1230 | 1266 | 700 | 450 | |
| ТС-631.000.15 | 820 | 766 | 460 | 450 | ||
| ТС-631.000.16 | 1020 | 1530 | 1516 | 850 | 550 | |
| ТС-631.000.17 | 1020 | 916 | 550 | 550 | ||
| ТС-631.000.18 | 1220 | 1830 | 1766 | 1000 | 650 | |
| ТС-631.000.19 | 1220 | 1116 | 670 | 650 | ||
| ТС-631.000.20 | 1420 | 2130 | 2016 | 1150 | 760 | |
| ТС-631.000.21 | 1420 | 1266 | 760 | 760 |
Таблица 8 Размеры опор ТС 631.000
| Обозначение | Опора | Dн трубопровода | L | B | H | c | A | d1 | D |
| ТС-632.00.000.00 | ТС-623.000.00 | 32, 38, 45 | 160 | 50 | 8 | 30 | 120 | 6 | 11 |
| ТС-632.00.000.01 | ТС-623.000.12 | 330 | 240 | ||||||
| ТС-632.00.000.02 | ТС-623.000.03 | 57, 76 | 160 | 70 | 40 | 120 | |||
| ТС-632.00.000.03 | ТС-623.000.15 | 330 | 240 | ||||||
| ТС-632.00.000.04 | ТС-623.000.06 | 89, 108 | 160 | 90 | 50 | 120 | |||
| ТС-632.00.000.05 | ТС-623.000.18 | 330 | 240 | ||||||
| ТС-632.00.000.06 | ТС-623.000.09 | 133, 159 | 160 | 120 | 70 | 120 | |||
| ТС-632.00.000.07 | ТС-623.000.21 | 330 | 240 | ||||||
| ТС-632.00.000.08 | ТС-624.000.000 | 194 | 170 | 170 | 10 | 80 | 145 | 8 | 13 |
| ТС-632.00.000.09 | ТС-624.000.027 | 340 | 290 | ||||||
| ТС-632.00.000.10 | ТС-624.000.072 | 680 | 620 | ||||||
| ТС-632.00.000.11 | ТС-624.000.003 | 219 | 170 | 145 | |||||
| ТС-632.00.000.12 | ТС-624.000.030 | 340 | 290 | ||||||
| ТС-632.00.000.13 | ТС-624.000.075 | 680 | 620 | ||||||
| ТС-632.00.000.14 | ТС-624.000.006 | 273 | 170 | 145 | |||||
| ТС-632.00.000.15 | ТС-624.000.033 | 340 | 290 | ||||||
| ТС-632.00.000.16 | ТС-624.000.078 | 680 | 620 | ||||||
| ТС-632.00.000.17 | ТС-624.000.009 | 325 | 170 | 270 | 180 | 145 | - | 21 | |
| ТС-632.00.000.18 | ТС-624.000.036 | 340 | 290 | ||||||
| ТС-632.00.000.19 | ТС-624.000.081 | 680 | 620 | ||||||
| ТС-632.00.000.20 | ТС-624.000.012 | 377 | 170 | 145 | |||||
| ТС-632.00.000.21 | ТС-624.000.039 | 340 | 290 | ||||||
| ТС-632.00.000.22 | ТС-624.000.084 | 680 | 620 | ||||||
| ТС-632.00.000.23 | ТС-624.000.015 | 426 | 170 | 145 | |||||
| ТС-632.00.000.24 | ТС-624.000.042 | 340 | 290 | ||||||
| ТС-632.00.000.25 | ТС-624.000.087 | 680 | 620 | ||||||
| ТС-632.00.000.26 | ТС-624.000.018 | 480 | 170 | 360 | 280 | 145 | |||
| ТС-632.00.000.27 | ТС-624.000.045 | 340 | 290 | ||||||
| ТС-632.00.000.28 | ТС-624.000.090 | 680 | 620 | ||||||
| ТС-632.00.000.29 | ТС-624.000.021 | 530 | 170 | 145 | |||||
| ТС-632.00.000.30 | ТС-624.000.048 | 340 | 290 | ||||||
| ТС-632.00.000.31 | ТС-624.000.093 | 680 | 620 | ||||||
| ТС-632.00.000.32 | ТС-624.000.024 | 630 | 170 | 145 | |||||
| ТС-632.00.000.33 | ТС-624.000.051 | 340 | 290 | ||||||
| ТС-632.00.000.34 | ТС-624.000.096 | 680 | 620 | ||||||
| ТС-632.00.000.35 | ТС-624.000.054 | 720 | 340 | 480 | 12 | 400 | 290 | 41 | |
| ТС-632.00.000.36 | ТС-624.000.099 | 680 | 620 | ||||||
| ТС-632.00.000.37 | ТС-624.000.057 | 820 | 340 | 290 | |||||
| ТС-632.00.000.38 | ТС-624.000.102 | 680 | 620 | ||||||
| ТС-632.00.000.39 | ТС-624.000.060 | 920 | 340 | 290 | |||||
| ТС-632.00.000.40 | ТС-624.000.105 | 680 | 620 | ||||||
| ТС-632.00.000.41 | ТС-624.000.063 | 1020 | 340 | 670 | 600 | 290 | |||
| ТС-632.00.000.42 | ТС-624.000.108 | 680 | 620 | ||||||
| ТС-632.00.000.43 | ТС-624.000.066 | 1220 | 340 | 290 | |||||
| ТС-632.00.000.44 | ТС-624.000.111 | 680 | 620 | ||||||
| ТС-632.00.000.45 | ТС-624.000.069 | 1420 | 340 | 290 | |||||
| ТС-632.00.000.46 | ТС-624.000.114 | 680 | 620 | ||||||
| ТС-632.00.000.47 | ТС-624.000.070 | 340 | 290 | ||||||
| ТС-632.00.000.48 | ТС-624.000.115 | 680 | 620 |
Таблица 9. Размеры опор ТС 632.00.000
Характеристики
Основная характеристика опор является вертикальная нагрузка. Для катковых опор также рассматриваются дополнительные нагрузки, а для опор сварных отводов – допускаемое осевое усилие.
Ниже в таблицах приведены данные характеристики.
| Обозначение | Dн трубопровода | Наибольшая вертикальная нагрузка, kH |
| ТС-623.000.00 | 32, 38, 45 | 1,2 |
| ТС-623.000.01 | ||
| ТС-623.000.02 | ||
| ТС-623.000.03 | 57, 76 | 2,2 |
| ТС-623.000.04 | ||
| ТС-623.000.05 | ||
| ТС-623.000.06 | 89, 108 | 4,0 |
| ТС-623.000.07 | ||
| ТС-623.000.08 | ||
| ТС-623.000.09 | 133, 159 | 8,0 |
| ТС-623.000.10 | ||
| ТС-623.000.11 | ||
| ТС-623.000.12 | 32, 38, 45 | 1,2 |
| ТС-623.000.13 | ||
| ТС-623.000.14 | ||
| ТС-623.000.15 | 57, 76 | 2,2 |
| ТС-623.000.16 | ||
| ТС-623.000.17 | ||
| ТС-623.000.18 | 89, 108 | 4,0 |
| ТС-623.000.19 | ||
| ТС-623.000.20 | ||
| ТС-623.000.21 | 133, 159 | 8,0 |
| ТС-623.000.22 | ||
| ТС-623.000.23 |
Таблица 10. Нагрузки на опоры, произведенные по серии ТС 623.000
| Обозначение | Dн трубопровода | Наибольшая вертикальная нагрузка, kH |
| ТС-624.000.000 | 194 | 22 |
| ТС-624.000.001 | ||
| ТС-624.000.002 | ||
| ТС-624.000.003 | 219 | |
| ТС-624.000.004 | ||
| ТС-624.000.005 | ||
| ТС-624.000.006 | 273 | |
| ТС-624.000.007 | ||
| ТС-624.000.008 | ||
| ТС-624.000.009 | 325 | 70 |
| ТС-624.000.010 | ||
| ТС-624.000.011 | ||
| ТС-624.000.012 | 377 | |
| ТС-624.000.013 | ||
| ТС-624.000.014 | ||
| ТС-624.000.015 | 426 | |
| ТС-624.000.016 | ||
| ТС-624.000.017 | ||
| ТС-624.000.018 | 480 | 125 |
| ТС-624.000.019 | ||
| ТС-624.000.020 | ||
| ТС-624.000.021 | 530 | |
| ТС-624.000.022 | ||
| ТС-624.000.023 | ||
| ТС-624.000.024 | 630 | |
| ТС-624.000.025 | ||
| ТС-624.000.026 | ||
| ТС-624.000.027 | 194 | 22 |
| ТС-624.000.028 | ||
| ТС-624.000.029 | ||
| ТС-624.000.030 | 219 | |
| ТС-624.000.031 | ||
| ТС-624.000.032 | ||
| ТС-624.000.033 | 273 | |
| ТС-624.000.034 | ||
| ТС-624.000.035 | ||
| ТС-624.000.036 | 325 | 70 |
| ТС-624.000.037 | ||
| ТС-624.000.038 | ||
| ТС-624.000.039 | 377 | |
| ТС-624.000.040 | ||
| ТС-624.000.041 | ||
| ТС-624.000.042 | 426 | |
| ТС-624.000.043 | ||
| ТС-624.000.044 | ||
| ТС-624.000.045 | 480 | 125 |
| ТС-624.000.046 | ||
| ТС-624.000.047 | ||
| ТС-624.000.048 | 530 | |
| ТС-624.000.049 | ||
| ТС-624.000.050 | ||
| ТС-624.000.051 | 630 | |
| ТС-624.000.052 | ||
| ТС-624.000.053 | ||
| ТС-624.000.054 | 720 | 220 |
| ТС-624.000.055 | ||
| ТС-624.000.056 | ||
| ТС-624.000.057 | 820 | |
| ТС-624.000.058 | ||
| ТС-624.000.059 | ||
| ТС-624.000.060 | 920 | 360 |
| ТС-624.000.061 | ||
| ТС-624.000.062 | ||
| ТС-624.000.063 | 1020 | |
| ТС-624.000.064 | ||
| ТС-624.000.065 | ||
| ТС-624.000.066 | 1220 | 480 |
| ТС-624.000.067 | ||
| ТС-624.000.068 | ||
| ТС-624.000.069 | 1420 | 600 |
| ТС-624.000.070 | ||
| ТС-624.000.071 | ||
| ТС-624.000.072 | 194 | 22 |
| ТС-624.000.073 | ||
| ТС-624.000.074 | ||
| ТС-624.000.075 | 219 | |
| ТС-624.000.076 | ||
| ТС-624.000.077 | ||
| ТС-624.000.078 | 273 | |
| ТС-624.000.079 | ||
| ТС-624.000.080 | ||
| ТС-624.000.081 | 325 | 70 |
| ТС-624.000.082 | ||
| ТС-624.000.083 | ||
| ТС-624.000.084 | 377 | |
| ТС-624.000.085 | ||
| ТС-624.000.086 | ||
| ТС-624.000.087 | 426 | |
| ТС-624.000.088 | ||
| ТС-624.000.089 | ||
| ТС-624.000.090 | 480 | 125 |
| ТС-624.000.091 | ||
| ТС-624.000.092 | ||
| ТС-624.000.093 | 530 | |
| ТС-624.000.094 | ||
| ТС-624.000.095 | ||
| ТС-624.000.096 | 630 | |
| ТС-624.000.097 | ||
| ТС-624.000.098 | ||
| ТС-624.000.099 | 720 | 225 |
| ТС-624.000.100 | ||
| ТС-624.000.101 | ||
| ТС-624.000.102 | 820 | |
| ТС-624.000.103 | ||
| ТС-624.000.104 | ||
| ТС-624.000.105 | 920 | 360 |
| ТС-624.000.106 | ||
| ТС-624.000.107 | ||
| ТС-624.000.108 | 1020 | |
| ТС-624.000.109 | ||
| ТС-624.000.110 | ||
| ТС-624.000.111 | 1220 | 360 |
| ТС-624.000.112 | 480 | |
| ТС-624.000.113 | ||
| ТС-624.000.114 | 1420 | 360 |
| ТС-624.000.115 | 500 | |
| ТС-624.000.116 |
Таблица 11. Нагрузки на опоры, произведенные по серии ТС 624.000
| Обозначение | Dн трубопровода | Наибольшая вертикальная нагрузка, kH |
| ТС-625.000.00 | 32 | 2,5 |
| ТС-625.000.01 | 38 | |
| ТС-625.000.02 | 45 | 4,0 |
| ТС-625.000.03 | 57 | 6,0 |
| ТС-625.000.04 | 76 | |
| ТС-625.000.05 | 89 |
Таблица 12. Нагрузки на опоры, произведенные по серии ТС 625.000
| Обозначение | Dн трубопровода | Наибольшая вертикальная нагрузка, kH |
| ТС-626.00.000.000 | 108 | 22 |
| ТС-626.00.000.001 | ||
| ТС-626.00.000.002 | ||
| ТС-626.00.000.003 | 133 | |
| ТС-626.00.000.004 | ||
| ТС-626.00.000.005 | ||
| ТС-626.00.000.006 | 159 | |
| ТС-626.00.000.007 | ||
| ТС-626.00.000.008 | ||
| ТС-626.00.000.009 | 194 | |
| ТС-626.00.000.010 | ||
| ТС-626.00.000.011 | ||
| ТС-626.00.000.012 | 219 | |
| ТС-626.00.000.013 | ||
| ТС-626.00.000.014 | ||
| ТС-626.00.000.015 | 273 | |
| ТС-626.00.000.016 | ||
| ТС-626.00.000.017 | ||
| ТС-626.00.000.018 | 325 | 70 |
| ТС-626.00.000.019 | ||
| ТС-626.00.000.020 | ||
| ТС-626.00.000.021 | 377 | |
| ТС-626.00.000.022 | ||
| ТС-626.00.000.023 | ||
| ТС-626.00.000.024 | 426 | |
| ТС-626.00.000.025 | ||
| ТС-626.00.000.026 | ||
| ТС-626.00.000.027 | 480 | 125 |
| ТС-626.00.000.028 | ||
| ТС-626.00.000.029 | ||
| ТС-626.00.000.030 | 530 | |
| ТС-626.00.000.031 | ||
| ТС-626.00.000.032 | ||
| ТС-626.00.000.033 | 630 | |
| ТС-626.00.000.034 | ||
| ТС-626.00.000.035 | ||
| ТС-626.00.000.036 | 194 | 22 |
| ТС-626.00.000.037 | ||
| ТС-626.00.000.038 | ||
| ТС-626.00.000.039 | 219 | |
| ТС-626.00.000.040 | ||
| ТС-626.00.000.041 | ||
| ТС-626.00.000.042 | 273 | |
| ТС-626.00.000.043 | ||
| ТС-626.00.000.044 | ||
| ТС-626.00.000.045 | 325 | 70 |
| ТС-626.00.000.046 | ||
| ТС-626.00.000.047 | ||
| ТС-626.00.000.048 | 377 | |
| ТС-626.00.000.049 | ||
| ТС-626.00.000.050 | ||
| ТС-626.00.000.051 | 426 | |
| ТС-626.00.000.052 | ||
| ТС-626.00.000.053 | ||
| ТС-626.00.000.054 | 480 | 125 |
| ТС-626.00.000.055 | ||
| ТС-626.00.000.056 | ||
| ТС-626.00.000.057 | 530 | |
| ТС-626.00.000.058 | ||
| ТС-626.00.000.059 | ||
| ТС-626.00.000.060 | 630 | |
| ТС-626.00.000.061 | ||
| ТС-626.00.000.062 | ||
| ТС-626.00.000.063 | 720 | 220 |
| ТС-626.00.000.064 | ||
| ТС-626.00.000.065 | ||
| ТС-626.00.000.066 | 820 | |
| ТС-626.00.000.067 | ||
| ТС-626.00.000.068 | ||
| ТС-626.00.000.069 | 920 | 360 |
| ТС-626.00.000.070 | ||
| ТС-626.00.000.071 | ||
| ТС-626.00.000.072 | 1020 | |
| ТС-626.00.000.073 | ||
| ТС-626.00.000.074 | ||
| ТС-626.00.000.075 | 1220 | 480 |
| ТС-626.00.000.076 | ||
| ТС-626.00.000.077 | ||
| ТС-626.00.000.078 | 1420 | 600 |
| ТС-626.00.000.079 | ||
| ТС-626.00.000.080 | ||
| ТС-626.00.000.081 | 194 | 22 |
| ТС-626.00.000.082 | ||
| ТС-626.00.000.083 | ||
| ТС-626.00.000.084 | 219 | |
| ТС-626.00.000.085 | ||
| ТС-626.00.000.086 | ||
| ТС-626.00.000.087 | 273 | |
| ТС-626.00.000.088 | ||
| ТС-626.00.000.089 | ||
| ТС-626.00.000.090 | 325 | 70 |
| ТС-626.00.000.091 | ||
| ТС-626.00.000.092 | ||
| ТС-626.00.000.093 | 377 | |
| ТС-626.00.000.094 | ||
| ТС-626.00.000.095 | ||
| ТС-626.00.000.096 | 426 | |
| ТС-626.00.000.097 | ||
| ТС-626.00.000.098 | ||
| ТС-626.00.000.099 | 480 | 125 |
| ТС-626.00.000.100 | ||
| ТС-626.00.000.101 | ||
| ТС-626.00.000.102 | 530 | |
| ТС-626.00.000.103 | ||
| ТС-626.00.000.104 | ||
| ТС-626.00.000.105 | 630 | |
| ТС-626.00.000.106 | ||
| ТС-626.00.000.107 | ||
| ТС-626.00.000.108 | 720 | 220 |
| ТС-626.00.000.109 | ||
| ТС-626.00.000.110 | ||
| ТС-626.00.000.111 | 820 | |
| ТС-626.00.000.112 | ||
| ТС-626.00.000.113 | ||
| ТС-626.00.000.114 | 920 | 360 |
| ТС-626.00.000.115 | ||
| ТС-626.00.000.116 | ||
| ТС-626.00.000.117 | 1020 | |
| ТС-626.00.000.118 | ||
| ТС-626.00.000.119 | ||
| ТС-626.00.000.120 | 1220 | 480 |
| ТС-626.00.000.121 | ||
| ТС-626.00.000.122 | ||
| ТС-626.00.000.123 | 1420 | 600 |
| ТС-626.00.000.124 | ||
| ТС-626.00.000.125 |
Таблица 13. Нагрузки на опоры, произведенные по серии ТС 626.00.000
| Обозначение | Dн трубопровода | Наибольшая вертикальная нагрузка, kH |
| ТС-627.00.000.000 | 377 | 70 |
| ТС-627.00.000.001 | ||
| ТС-627.00.000.002 | ||
| ТС-627.00.000.003 | 426 | |
| ТС-627.00.000.004 | ||
| ТС-627.00.000.005 | ||
| ТС-627.00.000.006 | 480 | 125 |
| ТС-627.00.000.007 | ||
| ТС-627.00.000.008 | ||
| ТС-627.00.000.009 | 530 | |
| ТС-627.00.000.010 | ||
| ТС-627.00.000.011 | ||
| ТС-627.00.000.012 | 630 | |
| ТС-627.00.000.013 | ||
| ТС-627.00.000.014 | ||
| ТС-627.00.000.015 | 377 | 70 |
| ТС-627.00.000.016 | ||
| ТС-627.00.000.017 | ||
| ТС-627.00.000.018 | 426 | |
| ТС-627.00.000.019 | ||
| ТС-627.00.000.020 | ||
| ТС-627.00.000.021 | 480 | 125 |
| ТС-627.00.000.022 | ||
| ТС-627.00.000.023 | ||
| ТС-627.00.000.024 | 530 | |
| ТС-627.00.000.025 | ||
| ТС-627.00.000.026 | ||
| ТС-627.00.000.027 | 630 | |
| ТС-627.00.000.028 | ||
| ТС-627.00.000.029 | ||
| ТС-627.00.000.030 | 720 | 220 |
| ТС-627.00.000.031 | ||
| ТС-627.00.000.032 | ||
| ТС-627.00.000.033 | 820 | |
| ТС-627.00.000.034 | ||
| ТС-627.00.000.035 | ||
| ТС-627.00.000.036 | 920 | 360 |
| ТС-627.00.000.037 | ||
| ТС-627.00.000.038 | ||
| ТС-627.00.000.039 | 1020 | |
| ТС-627.00.000.040 | ||
| ТС-627.00.000.041 | ||
| ТС-627.00.000.042 | 1220 | 480 |
| ТС-627.00.000.043 | ||
| ТС-627.00.000.044 | ||
| ТС-627.00.000.045 | 1420 | 600 |
| ТС-627.00.000.046 | ||
| ТС-627.00.000.047 | ||
| ТС-627.00.000.048 | 377 | 70 |
| ТС-627.00.000.049 | ||
| ТС-627.00.000.050 | ||
| ТС-627.00.000.051 | 426 | |
| ТС-627.00.000.052 | ||
| ТС-627.00.000.053 | ||
| ТС-627.00.000.054 | 480 | 125 |
| ТС-627.00.000.055 | ||
| ТС-627.00.000.056 | ||
| ТС-627.00.000.057 | 530 | |
| ТС-627.00.000.058 | ||
| ТС-627.00.000.059 | ||
| ТС-627.00.000.060 | 630 | |
| ТС-627.00.000.061 | ||
| ТС-627.00.000.062 | ||
| ТС-627.00.000.063 | 720 | 220 |
| ТС-627.00.000.064 | ||
| ТС-627.00.000.065 | ||
| ТС-627.00.000.066 | 820 | |
| ТС-627.00.000.067 | ||
| ТС-627.00.000.068 | ||
| ТС-627.00.000.069 | 920 | 360 |
| ТС-627.00.000.070 | ||
| ТС-627.00.000.071 | ||
| ТС-627.00.000.072 | 1020 | |
| ТС-627.00.000.073 | ||
| ТС-627.00.000.074 | ||
| ТС-627.00.000.075 | 1220 | 480 |
| ТС-627.00.000.076 | ||
| ТС-627.00.000.077 | ||
| ТС-627.00.000.078 | 1420 | 600 |
| ТС-627.00.000.079 | ||
| ТС-627.00.000.080 |
Таблица 14. Нагрузки на опоры, произведенные по серии ТС 627.00.000
| Обозначение | Dн трубопровода | Дополнительная нагрузка, kH | Максимальное тепловое перемещение, мм |
| ТС-628.00.000.00 | 194 | 29,4 | 200 |
| ТС-628.00.000.01 | 400 | ||
| ТС-628.00.000.02 | 219 | 200 | |
| ТС-628.00.000.03 | 400 | ||
| ТС-628.00.000.04 | 273 | 200 | |
| ТС-628.00.000.05 | 400 | ||
| ТС-628.00.000.06 | 325 | 68,7 | 200 |
| ТС-628.00.000.07 | 400 | ||
| ТС-628.00.000.08 | 377 | 200 | |
| ТС-628.00.000.09 | 400 | ||
| ТС-628.00.000.10 | 426 | 200 | |
| ТС-628.00.000.11 | 400 | ||
| ТС-628.00.000.12 | 480 | 98,1 | 200 |
| ТС-628.00.000.13 | 400 | ||
| ТС-628.00.000.14 | 530 | 200 | |
| ТС-628.00.000.15 | 400 | ||
| ТС-628.00.000.16 | 630 | 200 | |
| ТС-628.00.000.17 | 400 | ||
| ТС-628.00.000.18 | 720 | 196,2 | 200 |
| ТС-628.00.000.19 | 400 | ||
| ТС-628.00.000.20 | 820 | 200 | |
| ТС-628.00.000.21 | 400 | ||
| ТС-628.00.000.22 | 920 | 200 | |
| ТС-628.00.000.23 | 400 | ||
| ТС-628.00.000.24 | 1020 | 200 | |
| ТС-628.00.000.25 | 400 | ||
| ТС-628.00.000.26 | 1220 | 200 | |
| ТС-628.00.000.27 | 400 | ||
| ТС-628.00.000.28 | 1420 | 200 | |
| ТС-628.00.000.29 | 400 |
Таблица 15. Нагрузки на опоры, произведенные по серии ТС 628.00.000
| Обозначение | Dн трубопровода | Наибольшая вертикальная нагрузка, kH | Наибольшее перемещение трубопровода, мм |
| ТС-630.00.000.00 | 720 | 180 | 200 |
| ТС-630.00.000.01 | 800 | ||
| ТС-630.00.000.02 | 820 | 200 | |
| ТС-630.00.000.03 | 800 | ||
| ТС-630.00.000.04 | 920 | 220 | 200 |
| ТС-630.00.000.05 | 800 | ||
| ТС-630.00.000.06 | 1020 | 300 | 200 |
| ТС-630.00.000.07 | 800 | ||
| ТС-630.00.000.08 | 1220 | 400 | 200 |
| ТС-630.00.000.09 | 300 | 800 | |
| ТС-630.00.000.10 | 1420 | 500 | 200 |
| ТС-630.00.000.11 | 300 | 800 |
Таблица 16. Нагрузки на опоры, произведенные по серии ТС 630.00.000
| Обозначение | Dн трубопровода | Допускаемая вертикальная нагрузка, кН | Допускаемое осевое усилие Px при поперечном усилие Pz, кН | |
| Pz=Px | Pz=0.5Px | |||
| ТС-631.000.00 | 108 | 3 | 2,5 | 4,7 |
| ТС-631.000.01 | 133 | 4 | 3,7 | 4,8 |
| ТС-631.000.02 | 159 | 5 | 4,4 | 6,7 |
| ТС-631.000.03 | 219 | 10 | 8 | 8,3 |
| ТС-631.000.04 | 273 | 15 | 11,6 | 13 |
| ТС-631.000.05 | 325 | 20 | 20 | 21 |
| ТС-631.000.06 | 377 | 25 | 20 | 24 |
| ТС-631.000.07 | 426 | 30 | 27 | 30 |
| ТС-631.000.08 | 530 | 40 | 35 | 38 |
| ТС-631.000.09 | 48 | 68 | ||
| ТС-631.000.10 | 630 | 50 | 55 | 93 |
| ТС-631.000.11 | 62 | 90 | ||
| ТС-631.000.12 | 720 | 62 | 83 | 140 |
| ТС-631.000.13 | 95 | 136 | ||
| ТС-631.000.14 | 820 | 80 | 95 | 160 |
| ТС-631.000.15 | 109 | 157 | ||
| ТС-631.000.16 | 1020 | 124 | 119 | 203 |
| ТС-631.000.17 | 133 | 191 | ||
| ТС-631.000.18 | 1220 | 167 | 142 | 243 |
| ТС-631.000.19 | 170 | 254 | ||
| ТС-631.000.20 | 1420 | 210 | 173 | 294 |
| ТС-631.000.21 | 204 | 304 | ||
Таблица 17. Нагрузки на опоры, произведенные по серии ТС 631.000
Характеристики диэлектрических опорных плит, произведенных по серии ТС-632.00.000, зависят от серии опор, к которым они применяются при монтаже.
Материалы
Неподвижные опоры, произведенные по серии 5.903-13, производятся из следующих сталей:
Ст3сп ГОСТ 380
Ст 20 и Ст 20К ГОСТ 1050
17ГС-12 ГОСТ 19281
17Г1С-12 ГОСТ 19281
14Г2-12 ГОСТ 19281
16ГС по ГОСТ 19281
09Г2С по ГОСТ 19281
10Г2С1 по ГОСТ 19281
Для производства крепежных деталей, находящихся вблизи трубопровода, используются следующие марки стали:
30Х ГОСТ 4543
35Х ГОСТ 4543
40Х ГОСТ 4543
Резьба на деталях должна соответствовать ГОСТ 24705-81. Стандарты на крепежные изделия указываются в чертежах. Все антикоррозийные покрытия должны выбираться по ГОСТ 9.303-84 в зависимости от условий эксплуатации, определяемых по ГОСТ 15150-69. В случае наличии защиты от электрокоррозии в опорах используется паронит, либо плита опорная диэлектрическая. Опоры должны быть покрашены двойным слоем по грунту краской БТ-177 по ГОСТ 5631. Элементы опор, которые не подлежат окраске, должны быть защищены от коррозии смазкой ПВХ по ГОСТ 19537.
Рекомендации по применению
Опоры настоящего стандарта рекомендовано использовать на тепловые сети. Данные опоры не рекомендовано применять на трубопроводах с теплоносителем выше 425 градусов Цельсия и давлением свыше 40 МПа. Рекомендовано опоры сварных отводов ТС 631.000 использовать для тепловых сетей диаметром от 108 до 1420 мм, транспортирующих рабочую среду с температурой не более 115 градусов Цельсия.
Как правильно выбрать
В зависимости от диаметра трубопровода выбирают определенные исполнения опор. В таблице 18 приводится зависимость исполнение и тип опор от диаметра трубопровода.
| Тип опор | Наименование опор | Диаметр трубопровода (мм) |
| ТС-623.000 | Опора скользящая приварная | 32-159 |
| ТС-624.000 | Опора скользящая приварная | 194-1420 |
| ТС-625.000 | Опора скользящая с плоским хомутом | 32-89 |
| ТС-626.00.000 | Опора скользящая хомутовая | 108-1420 |
| ТС-627.00.000 | Опора скользящая бугельная | 377-1420 |
| ТС-628.00.000 | Опора катковая двухъярусная | 194-1420 |
| ТС-630.00.000 | Опора катковая | 720-1420 |
| ТС-631.000 | Опора сварных отводов | 108-1420 |
| ТС-632.00.000 | Плита опорная диэлектрическая | 32-1420 |
Таблица 18. Классификация опор.
Выбор стали при производстве опор зависит от минимальной расчетной температуры наружного воздуха. В таблице 19 приводится данная зависимость
| Минимальная расчетная температура, С0 | Марка стали опоры |
| -30 | Углеродистая сталь ГОСТ 380, 1050 |
| -40 | 17ГС, 17Г1С, 14Г2 ГОСТ 19281 |
| -60 | 09Г2С ГОСТ 19281 |
Таблица 19. Зависимость используемой марки стали от минимальной расчетной температуры.
В зависимости от величины тепловых перемещений трубопроводов скользящие опоры представлены в трех исполнениях:
| Длина опорной поверхности (мм) | Тепловое перемещение до (мм) | Диаметр трубопровода (мм) |
| 170 | 90 | 32-630 |
| 340 | 250 | 32-1420 |
| 680 | 600 | 194-1420 |
Таблица 20. Зависимость длины опорной поверхности от теплового перемещения трубопровода.
Катковые опоры предназначены для осевых или боковых перемещений трубопроводов. Катковые двухъярусные опоры предназначены для горизонтальных перемещений в двух направлениях. Максимальное горизонтальное перемещение трубопровода должно быть от 200 до 400 мм.
Транспортировка
Транспортировка неподвижных опор, произведенных по серии 5.903-13, регламентируется разделом 5 данной серии. Упаковка деталей сборочных единиц должна соответствовать категории КУ-1 по ГОСТ 23170 и обеспечивать их сохранность в условиях транспортирования Л по ГОСТ 23170. Детали опор должны быть уложены комплектно в деревянные ящики по ГОСТ 10198. Допускается отгрузка в универсальные контейнеры по ГОСТ 20435. Опоры допускается транспортировать любым видом транспорта.
Хранение
Опоры хранят в закрытых помещениях, рассортированные по маркам и видам. Помещение должно быть сухим для исключения появления преждевременной коррозии. Упаковка деталей сборочных единиц должна соответствовать категории КУ-1 по ГОСТ 23170 и обеспечивать их сохранность в условиях хранения 4 (Ж2) по ГОСТ 15150.
Контроль качества, гарантия и срок эксплуатации
Контроль качества, гарантийные обязательства и срок эксплуатации регламентируются в ТУ заводов-производителей. Контроль сварных швов на опорах регламентируется СНиП III-18-75. Срок эксплуатации должен фигурировать в сертификате качества, который прилагается к поставляемым опорам. Данный срок зависит от выбранной марки стали, типа опоры и климатического района эксплуатации данных опор.
Монтаж
Расстояние между опорами определяется нагрузкой на трубопровод. Она зависит от диаметра труб и, соответственно, массы транспортируемого вещества, а также условий эксплуатации и других факторов. Чаще всего расстояние между опорами выбирается следующее:
при диаметре до 40 мм – порядка 2-3 метров
при диаметре 50-100 мм – порядка 5 метров
при диаметре свыше 100 мм – порядка 8-10 м
Данные значения приведены условно
В зависимости от жёсткости труб и условий эксплуатации рассчитывается размер промежутка между опорами. Непосредственно монтаж производится с помощью электродуговой сварки, полуавтоматической сварки или сварки в защитных газах. Контроль качества сварных швов опор и трубопровода регламентируется РД-03-94. Для защиты от электрокоррозии при монтаже возможно использовать прокладку из паронита по ГОСТ 481, снабженную оцинкованным стальным листом ГОСТ 14918 для предохранения изоляции от механических повреждений. Паронит и стальной кожух между собой соединяются битумом марки М IV ГОСТ 9548.
Вес изделия
| Опоры трубопровода серия 5.903-13 вып 8.95 | |||||||||
| Вес (кг) | |||||||||
| ТС | 623 | 624 | 625 | 626 | 627 | 628 | 630 | 631 | 632 |
| ТС-ХХХ.00.00 | 0,97 | 4,00 | 1,00 | 3,60 | 15,00 | 129,00 | 117,49 | 3,20 | 0,44 |
| ТС-ХХХ.00.01 | 1,35 | 5,00 | 1,00 | 4,40 | 16,00 | 171,00 | 151,15 | 3,60 | 0,88 |
| ТС-ХХХ.00.02 | 1,72 | 6,00 | 1,10 | 5,90 | 17,00 | 129,00 | 116,63 | 3,90 | 0,61 |
| ТС-ХХХ.00.03 | 1,20 | 5,00 | 1,77 | 4,70 | 15,00 | 171,00 | 149,99 | 6,40 | 1,21 |
| ТС-ХХХ.00.04 | 1,64 | 6,00 | 1,94 | 5,10 | 18,00 | 128,00 | 124,69 | 8,70 | 0,77 |
| ТС-ХХХ.00.05 | 2,09 | 7,00 | 2,04 | 5,90 | 19,00 | 170,00 | 162,62 | 16,00 | 1,55 |
| ТС-ХХХ.00.06 | 1,46 | 5,00 | 5,30 | 26,00 | 268,00 | 167,79 | 19,00 | 1,01 | |
| ТС-ХХХ.00.07 | 1,97 | 6,00 | 6,20 | 29,00 | 322,00 | 217,28 | 27,00 | 2,06 | |
| ТС-ХХХ.00.08 | 2,48 | 7,00 | 7,20 | 32,00 | 267,00 | 169,63 | 39,00 | 1,99 | |
| ТС-ХХХ.00.09 | 1,82 | 8,00 | 6,30 | 27,00 | 321,00 | 218,22 | 36,00 | 3,92 | |
| ТС-ХХХ.00.10 | 2,42 | 10,00 | 7,30 | 30,00 | 267,00 | 180,07 | 112,00 | 7,78 | |
| ТС-ХХХ.00.11 | 3,03 | 11,00 | 8,30 | 32,00 | 320,00 | 234,90 | 56,00 | 1,99 | |
| ТС-ХХХ.00.12 | 9,00 | 7,10 | 34,00 | 390,00 | 146,00 | 3,92 | |||
| ТС-ХХХ.00.13 | 9,00 | 8,10 | 36,00 | 458,00 | 77,00 | 7,78 | |||
| ТС-ХХХ.00.14 | 10,00 | 9,00 | 39,00 | 395,00 | 187,00 | 1,99 | |||
| ТС-ХХХ.00.15 | 5,00 | 8,30 | 22,00 | 462,00 | 99,00 | 3,92 | |||
| ТС-ХХХ.00.16 | 13,00 | 9,30 | 25,00 | 394,00 | 268,00 | 7,78 | |||
| ТС-ХХХ.00.17 | 15,00 | 10,20 | 27,00 | 460,00 | 146,00 | 3,19 | |||
| ТС-ХХХ.00.18 | 13,00 | 12,40 | 26,00 | 785,00 | 381,00 | 6,23 | |||
| ТС-ХХХ.00.19 | 19,00 | 13,80 | 29,00 | 888,00 | 216,00 | 12,37 | |||
| ТС-ХХХ.00.20 | 22,00 | 15,20 | 31,00 | 782,00 | 566,00 | 3,19 | |||
| ТС-ХХХ.00.21 | 16,00 | 13,50 | 42,00 | 885,00 | 273,00 | 6,23 | |||
| ТС-ХХХ.00.22 | 19,00 | 15,10 | 46,00 | 781,00 | 12,37 | ||||
| ТС-ХХХ.00.23 | 21,00 | 16,40 | 51,00 | 883,00 | 3,19 | ||||
| ТС-ХХХ.00.24 | 17,00 | 13,60 | 48,00 | 1005,00 | 6,23 | ||||
| ТС-ХХХ.00.25 | 20,00 | 16,10 | 52,00 | 1130,00 | 12,37 | ||||
| ТС-ХХХ.00.26 | 22,00 | 17,40 | 56,00 | 996,00 | 4,21 | ||||
| ТС-ХХХ.00.27 | 7,00 | 23,40 | 59,00 | 1121,00 | 8,29 | ||||
| ТС-ХХХ.00.28 | 9,00 | 25,90 | 63,00 | 995,00 | 16,46 | ||||
| ТС-ХХХ.00.29 | 11,00 | 28,40 | 66,00 | 1119,00 | 4,21 | ||||
| ТС-ХХХ.00.30 | 8,00 | 23,70 | 73,00 | 8,29 | |||||
| ТС-ХХХ.00.31 | 9,00 | 26,20 | 79,00 | 16,46 | |||||
| ТС-ХХХ.00.32 | 11,00 | 28,70 | 84,00 | 4,21 | |||||
| ТС-ХХХ.00.33 | 8,00 | 27,00 | 80,00 | 8,29 | |||||
| ТС-ХХХ.00.34 | 9,00 | 29,50 | 86,00 | 16,46 | |||||
| ТС-ХХХ.00.35 | 11,00 | 32,20 | 91,00 | 14,28 | |||||
| ТС-ХХХ.00.36 | 12,00 | 10,50 | 113,00 | 27,74 | |||||
| ТС-ХХХ.00.37 | 14,00 | 12,30 | 119,00 | 14,28 | |||||
| ТС-ХХХ.00.38 | 16,00 | 14,10 | 126,00 | 27,74 | |||||
| ТС-ХХХ.00.39 | 11,00 | 11,90 | 142,00 | 14,28 | |||||
| ТС-ХХХ.00.40 | 14,00 | 12,80 | 151,00 | 27,74 | |||||
| ТС-ХХХ.00.41 | 16,00 | 15,40 | 160,00 | 19,61 | |||||
| ТС-ХХХ.00.42 | 14,00 | 12,70 | 161,00 | 38,31 | |||||
| ТС-ХХХ.00.43 | 17,00 | 14,70 | 163,00 | 19,62 | |||||
| ТС-ХХХ.00.44 | 19,00 | 16,40 | 178,00 | 38,41 | |||||
| ТС-ХХХ.00.45 | 24,00 | 19,50 | 180,00 | 19,62 | |||||
| ТС-ХХХ.00.46 | 28,00 | 21,80 | 190,00 | 38,41 | |||||
| ТС-ХХХ.00.47 | 32,00 | 24,20 | 201,00 | 19,62 | |||||
| ТС-ХХХ.00.48 | 23,00 | 20,80 | 29,00 | 38,41 | |||||
| ТС-ХХХ.00.49 | 27,00 | 23,70 | 33,00 | ||||||
| ТС-ХХХ.00.50 | 32,00 | 25,50 | 36,00 | ||||||
| ТС-ХХХ.00.51 | 24,00 | 22,70 | 34,00 | ||||||
| ТС-ХХХ.00.52 | 28,00 | 25,20 | 37,00 | ||||||
| ТС-ХХХ.00.53 | 32,00 | 27,50 | 41,00 | ||||||
| ТС-ХХХ.00.54 | 35,00 | 35,90 | 55,00 | ||||||
| ТС-ХХХ.00.55 | 41,00 | 40,00 | 62,00 | ||||||
| ТС-ХХХ.00.56 | 46,00 | 44,30 | 68,00 | ||||||
| ТС-ХХХ.00.57 | 40,00 | 36,30 | 60,00 | ||||||
| ТС-ХХХ.00.58 | 45,00 | 41,40 | 67,00 | ||||||
| ТС-ХХХ.00.59 | 51,00 | 45,60 | 73,00 | ||||||
| ТС-ХХХ.00.60 | 50,00 | 45,50 | 71,00 | ||||||
| ТС-ХХХ.00.61 | 54,00 | 49,70 | 77,00 | ||||||
| ТС-ХХХ.00.62 | 60,00 | 53,90 | 84,00 | ||||||
| ТС-ХХХ.00.63 | 69,00 | 59,60 | 93,00 | ||||||
| ТС-ХХХ.00.64 | 78,00 | 65,30 | 102,00 | ||||||
| ТС-ХХХ.00.65 | 87,00 | 70,80 | 111,00 | ||||||
| ТС-ХХХ.00.66 | 77,00 | 67,70 | 100,00 | ||||||
| ТС-ХХХ.00.67 | 85,00 | 70,80 | 110,00 | ||||||
| ТС-ХХХ.00.68 | 94,00 | 78,90 | 117,00 | ||||||
| ТС-ХХХ.00.69 | 74,00 | 94,80 | 131,00 | ||||||
| ТС-ХХХ.00.70 | 84,00 | 101,50 | 142,00 | ||||||
| ТС-ХХХ.00.71 | 95,00 | 108,20 | 152,00 | ||||||
| ТС-ХХХ.00.72 | 13,00 | 122,50 | 175,00 | ||||||
| ТС-ХХХ.00.73 | 16,00 | 129,90 | 188,00 | ||||||
| ТС-ХХХ.00.74 | 19,00 | 140,70 | 203,00 | ||||||
| ТС-ХХХ.00.75 | 13,00 | 148,30 | 192,00 | ||||||
| ТС-ХХХ.00.76 | 16,00 | 156,90 | 206,00 | ||||||
| ТС-ХХХ.00.77 | 19,00 | 166,00 | 220,00 | ||||||
| ТС-ХХХ.00.78 | 13,00 | 163,80 | 211,00 | ||||||
| ТС-ХХХ.00.79 | 16,00 | 173,80 | 226,00 | ||||||
| ТС-ХХХ.00.80 | 18,00 | 184,80 | 243,00 | ||||||
| ТС-ХХХ.00.81 | 19,00 | 15,90 | |||||||
| ТС-ХХХ.00.82 | 23,00 | 18,90 | |||||||
| ТС-ХХХ.00.83 | 26,00 | 22,00 | |||||||
| ТС-ХХХ.00.84 | 18,00 | 15,90 | |||||||
| ТС-ХХХ.00.85 | 22,00 | 20,00 | |||||||
| ТС-ХХХ.00.86 | 26,00 | 23,00 | |||||||
| ТС-ХХХ.00.87 | 21,00 | 17,60 | |||||||
| ТС-ХХХ.00.88 | 25,00 | 20,70 | |||||||
| ТС-ХХХ.00.89 | 29,00 | 23,90 | |||||||
| ТС-ХХХ.00.90 | 36,00 | 26,50 | |||||||
| ТС-ХХХ.00.91 | 43,00 | 31,30 | |||||||
| ТС-ХХХ.00.92 | 50,00 | 34,20 | |||||||
| ТС-ХХХ.00.93 | 36,00 | 27,50 | |||||||
| ТС-ХХХ.00.94 | 42,00 | 31,40 | |||||||
| ТС-ХХХ.00.95 | 49,00 | 35,20 | |||||||
| ТС-ХХХ.00.96 | 35,00 | 29,70 | |||||||
| ТС-ХХХ.00.97 | 42,00 | 33,60 | |||||||
| ТС-ХХХ.00.98 | 49,00 | 37,40 | |||||||
| ТС-ХХХ.00.99 | 55,00 | 49,20 | |||||||
| ТС-ХХХ.00.100 | 64,00 | 55,80 | |||||||
| ТС-ХХХ.00.101 | 73,00 | 62,40 | |||||||
| ТС-ХХХ.00.102 | 59,00 | 49,90 | |||||||
| ТС-ХХХ.00.103 | 68,00 | 56,70 | |||||||
| ТС-ХХХ.00.104 | 77,00 | 63,20 | |||||||
| ТС-ХХХ.00.105 | 65,00 | 57,40 | |||||||
| ТС-ХХХ.00.106 | 74,00 | 64,00 | |||||||
| ТС-ХХХ.00.107 | 84,00 | 70,60 | |||||||
| ТС-ХХХ.00.108 | 101,00 | 79,50 | |||||||
| ТС-ХХХ.00.109 | 115,00 | 88,50 | |||||||
| ТС-ХХХ.00.110 | 129,00 | 97,30 | |||||||
| ТС-ХХХ.00.111 | 107,00 | 87,20 | |||||||
| ТС-ХХХ.00.112 | 121,00 | 87,90 | |||||||
| ТС-ХХХ.00.113 | 135,00 | 104,70 | |||||||
| ТС-ХХХ.00.114 | 105,00 | 113,90 | |||||||
| ТС-ХХХ.00.115 | 120,00 | 123,80 | |||||||
| ТС-ХХХ.00.116 | 137,00 | 134,50 | |||||||
| ТС-ХХХ.00.117 | 155,10 | ||||||||
| ТС-ХХХ.00.118 | 168,80 | ||||||||
| ТС-ХХХ.00.119 | 182,80 | ||||||||
| ТС-ХХХ.00.120 | 179,20 | ||||||||
| ТС-ХХХ.00.121 | 193,50 | ||||||||
| ТС-ХХХ.00.122 | 207,20 | ||||||||
| ТС-ХХХ.00.123 | 193,90 | ||||||||
| ТС-ХХХ.00.124 | 209,10 | ||||||||
| ТС-ХХХ.00.125 | 225,80 | ||||||||
Цена на продукцию
Полный прайс-лист на продукцию находится в разделе стоимость продукции
Отправьте заявку для получения коммерческого предложения или уточнения стоимости продукции, которую Вам не удалось найти в прайс-листе.
Вопросы - Ответы
Все вопросы ответыОтправьте заявку и узнайте актуальные цены на продукцию
Обработаем заявку и свяжемся с Вами в течении 1-ого часа







